Các sản phẩm
Van kiểm tra xoay
  • Van kiểm tra xoayVan kiểm tra xoay

Van kiểm tra xoay

Jinqiu Valve sản xuất van một chiều xoay chất lượng, van tự động hay còn gọi là van một chiều hay van một chiều. Chức năng của nó là ngăn không cho môi trường trong đường ống chảy ngược lại, cho phép chất lỏng chảy theo một hướng. Nó ngăn chặn hiệu quả dòng chảy ngược (dòng quay trở lại) có thể làm hỏng hệ thống đường ống. Van mở hoặc đóng các bộ phận đóng mở của nó bằng dòng chảy và lực của môi chất để ngăn môi trường chảy ngược lại.
Jinquan Valve is a high-tech enterprise integrating valve product research, production, sales, and service. As an H44H and H44Y type PN16 ~ PN250 swing check valves supplier, our customized swing check valves are suitable for pressures of 1.6 ~ 25MPa, working temperatures of -29 ~ +550 ℃, and are applicable to pipeline conditions in the petroleum, chemical, pharmaceutical, fertilizer, power industries, and other environments. Applicable media include water, oil, steam, acidic media, and so on. We have been operating in the valve manufacturing field for over twenty years. With our experience, we have won high praise from the market for our reasonable prices, high quality, and attentive service.

1. Tự động đóng mở: Van một chiều xoay mở và đóng tự động dựa trên lực của dòng phương tiện. Khi môi trường chảy theo hướng xác định, đĩa van được đẩy mở và van mở ra. Khi môi chất ngừng chảy hoặc chảy ngược, đĩa van sẽ đóng lại dưới trọng lượng của chính nó hoặc lực lò xo, ngăn chặn dòng chảy ngược. Không cần thao tác thủ công, đạt được điều khiển tự động.
2. Niêm phong đáng tin cậy: Bề mặt bịt kín của đĩa van và đế van thường được làm bằng hợp kim sắt hàn hoặc hợp kim cứng gốc coban Stellite, có khả năng chịu mài mòn, chịu nhiệt, chống ăn mòn và có khả năng chống trầy xước tốt. Điều này đảm bảo hiệu quả bịt kín ổn định lâu dài và ngăn ngừa rò rỉ vật liệu một cách hiệu quả. 3. Kênh dòng chảy không bị cản trở: Kênh dòng chảy được thiết kế hợp lý, dẫn đến sức cản chất lỏng thấp. Vật liệu có thể đi qua van một chiều một cách trơn tru, giảm tổn thất áp suất và tiêu thụ năng lượng.

Thông số hiệu suất

người mẫu H44H-16C~250 H44W-16P~250
Áp lực công việc(MPa) 1,6 ~ 25
nhiệt độ thích hợp(oC 425 550
Phương tiện phù hợp Nước, hơi nước, dầu Môi trường ăn mòn yếu
vật liệu Thân, nắp ca-pô, đĩa Thép cacbon Thép không gỉ niken-titan Chrome
Bề mặt niêm phong Hợp kim sắt bề mặt bằng thép carbon Thân kín

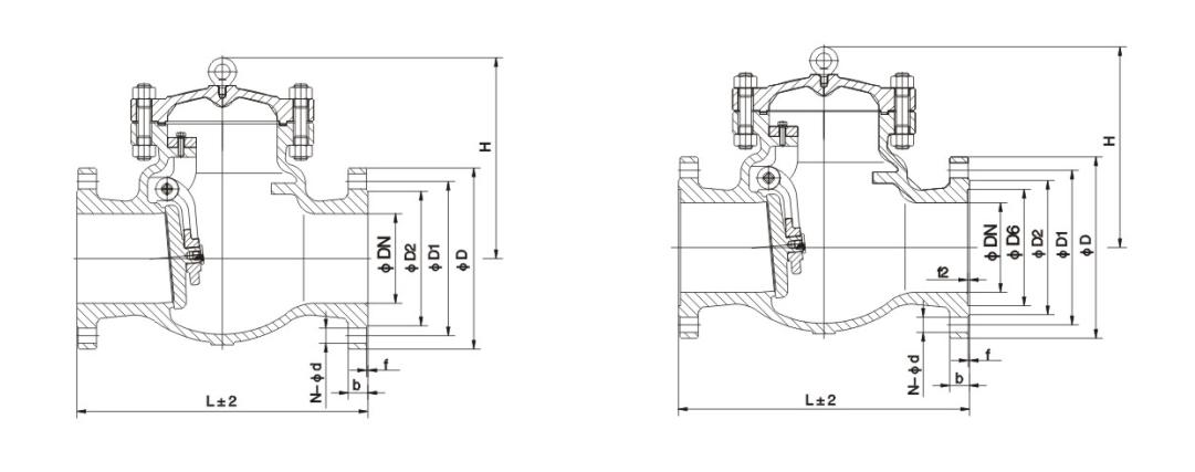
Hình dạng chính và kích thước kết nối

Đường kính danh nghĩaDN Kích thước chính và kích thước kết nối
L D D1 D2 b Zd H
H44H-16C H44W-16C H44W-16P H44W-16R H44W-16I
25 160 115 85 65 16 4-14 100
32 180 135 100 78 16 4-18 105
40 200 145 100 85 16 4-18 115
50 230 160 125 100 16 4-18 135
65 290 180 145 120 18 4-18 142
80 310 195 160 135 20 8-18 165
100 350 215 180 155 20 8-18 180
125 400 245 210 185 22 8-18 210
150 480 280 240 210 24 8-23 233
200 500 335 295 265 26 23-12 304
250 550 405 355 320 30 25-12 348
300 650 460 410 375 30 25-12 390
350 750 520 470 435 34 16-25 430
400 850 580 525 485 36 16-30 468
H44H-25 H44W-25 H44W-25P H44W-25R H44W-25I
25 160 115 85 65 16 4-14 100
32 180 135 100 78 16 4-18 105
40 200 145 110 85 16 4-18 115
50 230 160 125 100 20 4-18 160
65 290 180 145 120 22 8-18 175
80 310 195 160 135 22 8-18 185
100 350 230 190 160 24 8-23 220
125 400 270 220 188 28 8-25 248
150 480 300 250 218 30 8-25 276
200 550 360 310 278 34 25-12 350
250 650 425 370 332 36 12-30 410
300 750 485 430 390 40 16-30 430
350 850 550 490 448 44 16-34 518
400 950 610 550 505 48 16-34 560

Hình ảnh cấu trúc

Thẻ nóng: Van một chiều xoay, Trung Quốc, Tùy chỉnh, Chất lượng, Bền, Cao cấp, Nhà sản xuất, Nhà cung cấp, Nhà máy, còn hàng
Gửi yêu cầu
Thông tin liên lạc
  • Địa chỉ

    Số 1, Đường số 1 phía Bắc, Thị trấn mới Thép không gỉ, Đường Lecong Steel World West, Quận Thuận Đức, Thành phố Phật Sơn, Tỉnh Quảng Đông, Trung Quốc

  • điện thoại

    +86-757-28788895

Nếu có thắc mắc về van cổng, van cầu và van kiểm tra hoặc bảng giá, vui lòng để lại email cho chúng tôi và chúng tôi sẽ liên hệ trong vòng 24 giờ.

X
Chúng tôi sử dụng cookie để cung cấp cho bạn trải nghiệm duyệt web tốt hơn, phân tích lưu lượng truy cập trang web và cá nhân hóa nội dung. Bằng cách sử dụng trang web này, bạn đồng ý với việc chúng tôi sử dụng cookie. Chính sách bảo mật
Từ chối Chấp nhận