Các sản phẩm
Van cầu tiêu chuẩn GB
  • Van cầu tiêu chuẩn GBVan cầu tiêu chuẩn GB

Van cầu tiêu chuẩn GB

Van cầu tiêu chuẩn GB loại J41H, J41Y và J41W tùy chỉnh chất lượng cao được sản xuất bởi JQF Valve, một nhà sản xuất van chuyên nghiệp tại Trung Quốc. Bộ phận đóng mở của chúng là các đĩa van hình trụ, bề mặt bịt kín là phẳng hoặc hình nón. Các đĩa van di chuyển tuyến tính dọc theo đường tâm chất lỏng. Van cầu tiêu chuẩn GB chỉ thích hợp cho các ứng dụng mở hoàn toàn hoặc đóng hoàn toàn và thường không được sử dụng để điều chỉnh dòng chảy, nhưng việc điều chỉnh và điều tiết dòng chảy có thể được thực hiện theo nhu cầu của khách hàng.
Foshan Jinqiu Valve Co., Ltd. is a manufacturing factory integrating valve R&D, manufacturing, sales, and service. Our durable GB standard globe valves are specifically designed for oxygen pipelines, ensuring safe, stable, and efficient operation. Made from high-quality materials and undergoing rigorous degreasing and cleaning processes, these valves effectively prevent combustion risks and guarantee reliable sealing performance.

Van cầu tiêu chuẩn GB trong kho phù hợp với dải áp suất PN1.6-PN16 và kích thước DN15-DN400, chúng luôn được sử dụng trong các ngành luyện kim, hóa chất, khí y tế và năng lượng.

Đặc điểm kết cấu

Chúng tôi liên tục đổi mới và theo đuổi sự xuất sắc, bắt kịp thời đại với van cầu tiêu chuẩn GB chất lượng cao và dịch vụ khách hàng xuất sắc! Chúng tôi tích cực giới thiệu thiết bị tiên tiến, quản lý doanh nghiệp và nhân viên dịch vụ kỹ thuật, phấn đấu xây dựng thương hiệu van chất lượng cao trong nước và quốc tế. Chúng tôi hoan nghênh khách hàng mới và cũ đến thăm và kiểm tra cơ sở của chúng tôi, hợp tác vì lợi ích chung và cùng nhau tạo ra một tương lai tốt đẹp hơn!

Tiêu chuẩn điều hành

Thông số thiết kế: GB/T 12235
Chiều dài cấu trúc: GB / T 12221
Kết nối mặt bích: JB/T 79
Kiểm tra và thử nghiệm: JB/T 9002
Nhận dạng sản phẩm: GB/T 12220
Thông số kỹ thuật giao hàng: JB/T 7928

Đặc trưng

1. Cấu trúc hợp lý và tối ưu hóa: Thiết kế đơn giản giúp cải thiện hiệu suất sản xuất linh kiện và bảo trì thiết bị lên 30%. 2. Điều khiển đóng và mở tức thời: Thiết kế cấu trúc vi hành trình đạt được tốc độ phản hồi đóng và mở là 0,8 giây mỗi chu kỳ. 3. Hệ thống bịt kín lâu dài: Công nghệ bề mặt bịt kín tự bôi trơn đạt được hệ số ma sát cực thấp; lớp đệm composite có tuổi thọ chống lão hóa vượt quá 50.000 chu kỳ đóng mở.

Thông số hiệu suất

người mẫu J41H-16C~160C J41Y-16C~160C J41W-16P~160P
Áp lực công việc(MPa) 1.6~16.0
nhiệt độ thích hợp(oC 425 150
Phương tiện phù hợp Nước, hơi nước, dầu Môi trường ăn mòn yếu
vật liệu Thân, nắp ca-pô Thép cacbon Thép không gỉ niken-titan Chrome
Thân van Thép không gỉ mạ crôm Thép không gỉ niken-titan Chrome
Bề mặt niêm phong Bề mặt hợp kim dựa trên sắt Hợp kim cứng Chất liệu thân máy
phụ Than chì amiăng, than chì dẻo, PTFE

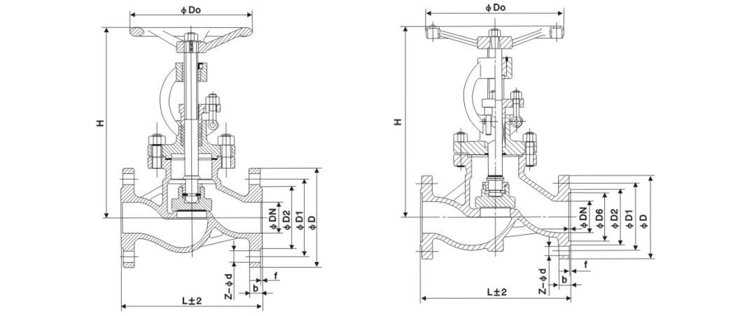
Hình dạng chính và kích thước kết nối

Đường kính danh nghĩa Kích thước chính và kích thước kết nối
L D D1 D2 b Zd H D0
J41H-16C
15 130 95 65 45 14-2 4-Φ14 170 120
20 150 105 75 55 14-2 4-Φ14 190 140
25 160 115 85 65 14-2 4-Φ14 205 160
32 180 135 100 78 16-2 4-Φ18 270 180
40 200 145 110 85 16-3 4-Φ18 310 200
50 230 160 125 100 16-3 4-Φ18 358 240
65 290 180 145 120 18-3 4-Φ18 373 240
80 310 195 160 135 20-3 8-Φ18 435 280
100 350 215 180 155 20-3 8-Φ18 500 300
125 400 245 210 185 22-3 8-Φ18 614 320
150 480 280 240 210 24-3 8-Φ23 674 360
200 600 335 295 265 26-3 12-Φ23 811 400
250 650 405 355 320 30-3 12-Φ25 969 450
300 750 460 410 375 30-3 12-Φ25 1145 580
350 850 520 470 435 34-4 16-Φ25 1280 640
400 980 580 525 485 36-4 16-Φ30 1452 640
J41H-25C
15 130 95 65 45 16-2 4-Φ14 170 120
20 150 105 75 55 16-2 4-Φ14 190 140
25 160 115 85 65 16-2 4-Φ14 205 160
32 180 135 100 78 18-2 4-Φ18 270 180
40 200 145 110 85 18-3 4-Φ18 310 200
50 230 160 125 100 20-3 4-Φ18 358 240
65 290 180 145 120 22-3 8-Φ18 373 240
80 310 195 160 135 22-3 8-Φ18 435 280
100 350 230 190 160 24-3 8-Φ23 500 300
125 400 270 220 188 28-3 8-Φ25 614 320
150 480 300 250 218 30-3 8-Φ25 674 360
200 600 360 310 278 34-3 12-Φ25 811 400
250 650 425 370 332 36-3 12-Φ30 969 450
300 750 485 430 390 40-4 16-Φ30 1145 580
350 850 550 490 448 44-4 16-Φ34 1280 640
400 980 610 550 505 48-4 16-Φ34 1452 640

Hình ảnh cấu trúc

Thẻ nóng: Van cầu tiêu chuẩn GB, Trung Quốc, Tùy chỉnh, Chất lượng, Bền, Cao cấp, Nhà sản xuất, Nhà cung cấp, Nhà máy, còn hàng
Gửi yêu cầu
Thông tin liên lạc
  • Địa chỉ

    Số 1, Đường số 1 phía Bắc, Thị trấn mới Thép không gỉ, Đường Lecong Steel World West, Quận Thuận Đức, Thành phố Phật Sơn, Tỉnh Quảng Đông, Trung Quốc

  • điện thoại

    +86-757-28788895

Nếu có thắc mắc về van cổng, van cầu và van kiểm tra hoặc bảng giá, vui lòng để lại email cho chúng tôi và chúng tôi sẽ liên hệ trong vòng 24 giờ.

X
Chúng tôi sử dụng cookie để cung cấp cho bạn trải nghiệm duyệt web tốt hơn, phân tích lưu lượng truy cập trang web và cá nhân hóa nội dung. Bằng cách sử dụng trang web này, bạn đồng ý với việc chúng tôi sử dụng cookie. Chính sách bảo mật
Từ chối Chấp nhận